Tapered Locating Pins . Web locating pins or pilot pins are similar in form to studs except for their absence of threads. Web locating pins with φ4 or less pin diameter can be used to position a workpiece in a very precise environment. Instead, they have a round or sometimes diamond profile length with a tapered tip. 1) have a height tolerance of h9 and are used together with tolerance holes for. Locating pins, essential in many industries, including the design and assembly of fixtures, play an invaluable. Since there are no threads to hold a load and the part is Web locating pins, also called workholding bolts or headed dowels, are specialized fasteners used for locating and positioning. [applications] · cylindrical pins (fig. Web if there are requirements for rust prevention, give priority to other straight rod tapered products of locating pins with hard chrome plating and stainless steel sus3.
from sg.misumi-ec.com
1) have a height tolerance of h9 and are used together with tolerance holes for. [applications] · cylindrical pins (fig. Web locating pins or pilot pins are similar in form to studs except for their absence of threads. Locating pins, essential in many industries, including the design and assembly of fixtures, play an invaluable. Web locating pins with φ4 or less pin diameter can be used to position a workpiece in a very precise environment. Since there are no threads to hold a load and the part is Web if there are requirements for rust prevention, give priority to other straight rod tapered products of locating pins with hard chrome plating and stainless steel sus3. Instead, they have a round or sometimes diamond profile length with a tapered tip. Web locating pins, also called workholding bolts or headed dowels, are specialized fasteners used for locating and positioning.
Large Head Locating Pins Tapered MISUMI MISUMI South East Asia
Tapered Locating Pins Web locating pins, also called workholding bolts or headed dowels, are specialized fasteners used for locating and positioning. Web if there are requirements for rust prevention, give priority to other straight rod tapered products of locating pins with hard chrome plating and stainless steel sus3. 1) have a height tolerance of h9 and are used together with tolerance holes for. [applications] · cylindrical pins (fig. Since there are no threads to hold a load and the part is Web locating pins, also called workholding bolts or headed dowels, are specialized fasteners used for locating and positioning. Web locating pins with φ4 or less pin diameter can be used to position a workpiece in a very precise environment. Locating pins, essential in many industries, including the design and assembly of fixtures, play an invaluable. Instead, they have a round or sometimes diamond profile length with a tapered tip. Web locating pins or pilot pins are similar in form to studs except for their absence of threads.
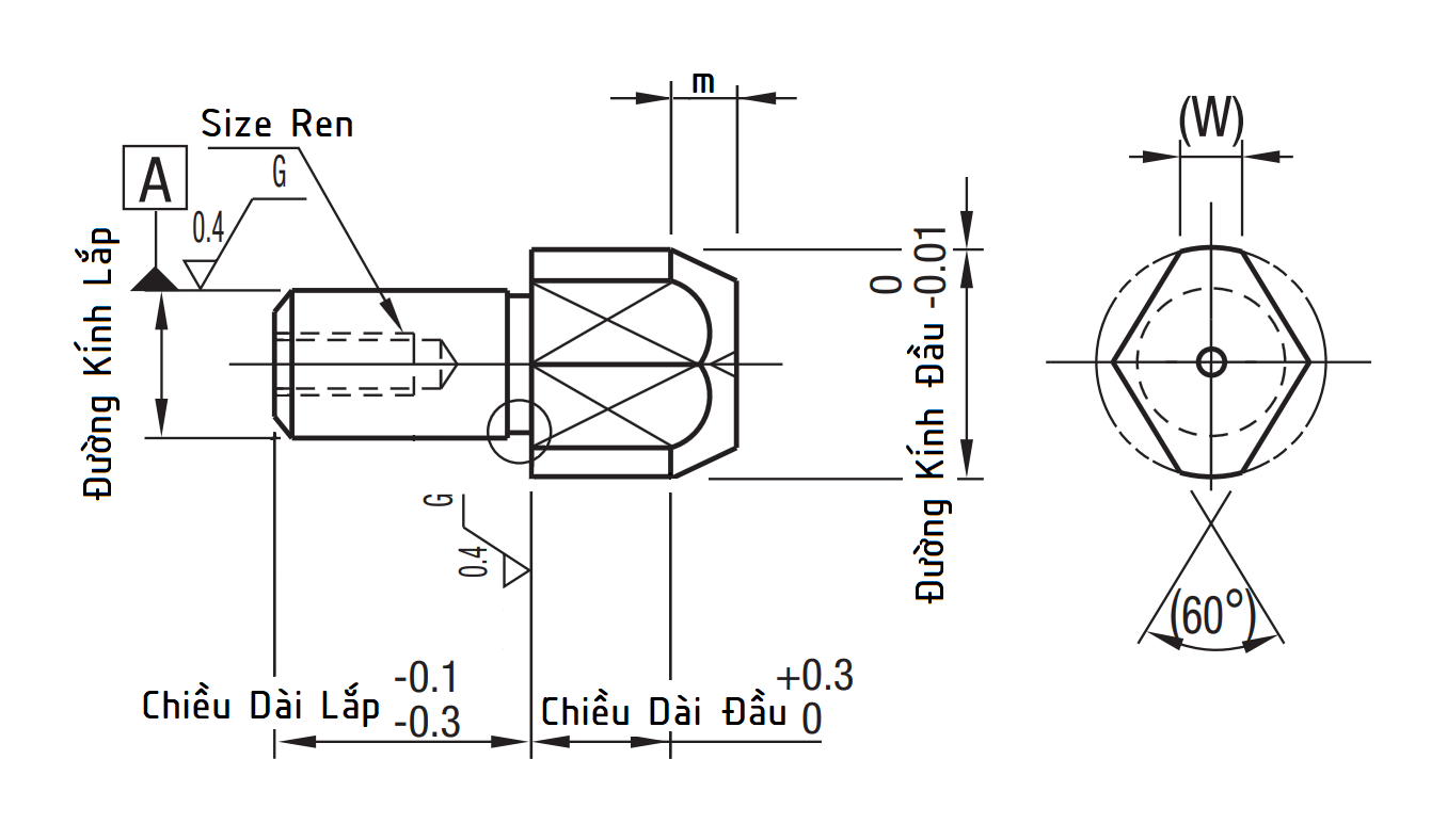
From mecsu.vn
Locating Pins Large Head, Tapered Tapped Diamond Shape (g6 Tapered Locating Pins Web locating pins, also called workholding bolts or headed dowels, are specialized fasteners used for locating and positioning. Web locating pins with φ4 or less pin diameter can be used to position a workpiece in a very precise environment. 1) have a height tolerance of h9 and are used together with tolerance holes for. Web if there are requirements for. Tapered Locating Pins.
From sg.misumi-ec.com
Large Head Locating Pins Tapered MISUMI MISUMI South East Asia Tapered Locating Pins [applications] · cylindrical pins (fig. Web locating pins with φ4 or less pin diameter can be used to position a workpiece in a very precise environment. Since there are no threads to hold a load and the part is Web if there are requirements for rust prevention, give priority to other straight rod tapered products of locating pins with hard. Tapered Locating Pins.
From www.alibaba.com
Tpn 0.005 Axiality Tapered Locating Pins Buy Injection Mold Parts Tapered Locating Pins Instead, they have a round or sometimes diamond profile length with a tapered tip. Web if there are requirements for rust prevention, give priority to other straight rod tapered products of locating pins with hard chrome plating and stainless steel sus3. Web locating pins or pilot pins are similar in form to studs except for their absence of threads. 1). Tapered Locating Pins.
From www.huyett.com
Taper Pins G.L. Huyett Tapered Locating Pins 1) have a height tolerance of h9 and are used together with tolerance holes for. Web locating pins with φ4 or less pin diameter can be used to position a workpiece in a very precise environment. Web locating pins, also called workholding bolts or headed dowels, are specialized fasteners used for locating and positioning. Since there are no threads to. Tapered Locating Pins.
From www.carrlane.com
Cone Locator Pins Carr Lane Tapered Locating Pins Since there are no threads to hold a load and the part is [applications] · cylindrical pins (fig. Web if there are requirements for rust prevention, give priority to other straight rod tapered products of locating pins with hard chrome plating and stainless steel sus3. Instead, they have a round or sometimes diamond profile length with a tapered tip. 1). Tapered Locating Pins.
From www.csceramic.com
IndustrialGrade Alumina Ceramic Guide Pins丨Oder Now Tapered Locating Pins Web locating pins with φ4 or less pin diameter can be used to position a workpiece in a very precise environment. Since there are no threads to hold a load and the part is 1) have a height tolerance of h9 and are used together with tolerance holes for. Instead, they have a round or sometimes diamond profile length with. Tapered Locating Pins.
From uk.misumi-ec.com
Tapered Pin Locating Block Sets / Short from MISUMI MISUMI Tapered Locating Pins Web locating pins with φ4 or less pin diameter can be used to position a workpiece in a very precise environment. Instead, they have a round or sometimes diamond profile length with a tapered tip. [applications] · cylindrical pins (fig. Locating pins, essential in many industries, including the design and assembly of fixtures, play an invaluable. Since there are no. Tapered Locating Pins.
From www.precision-mouldparts.com
0.005 Axiality Tapered Locating Pins , SUJ2 Conical Inner Hole Taper Tapered Locating Pins Web locating pins or pilot pins are similar in form to studs except for their absence of threads. Web locating pins, also called workholding bolts or headed dowels, are specialized fasteners used for locating and positioning. [applications] · cylindrical pins (fig. Since there are no threads to hold a load and the part is Locating pins, essential in many industries,. Tapered Locating Pins.
From www.aircorpsdepot.com
AN385 Taper Pin Plain AirCorps Depot Tapered Locating Pins Web if there are requirements for rust prevention, give priority to other straight rod tapered products of locating pins with hard chrome plating and stainless steel sus3. [applications] · cylindrical pins (fig. Web locating pins with φ4 or less pin diameter can be used to position a workpiece in a very precise environment. Web locating pins, also called workholding bolts. Tapered Locating Pins.
From ever-hardware.com
Tapered dowel pins taper location stop pin precision stainless steel Tapered Locating Pins [applications] · cylindrical pins (fig. Web locating pins, also called workholding bolts or headed dowels, are specialized fasteners used for locating and positioning. Web locating pins or pilot pins are similar in form to studs except for their absence of threads. Web locating pins with φ4 or less pin diameter can be used to position a workpiece in a very. Tapered Locating Pins.
From jcjm1688.en.made-in-china.com
Tapered Locating Pins Ball Bearing Guide Pillar Guide Post with Ball Tapered Locating Pins Web locating pins, also called workholding bolts or headed dowels, are specialized fasteners used for locating and positioning. 1) have a height tolerance of h9 and are used together with tolerance holes for. Web if there are requirements for rust prevention, give priority to other straight rod tapered products of locating pins with hard chrome plating and stainless steel sus3.. Tapered Locating Pins.
From www.alibaba.com
High Quality Tapered Pin / Tapered Lock Positioning Taper Pin / Medium Tapered Locating Pins 1) have a height tolerance of h9 and are used together with tolerance holes for. [applications] · cylindrical pins (fig. Web locating pins or pilot pins are similar in form to studs except for their absence of threads. Locating pins, essential in many industries, including the design and assembly of fixtures, play an invaluable. Web if there are requirements for. Tapered Locating Pins.
From shop.thuviencokhi.com
Locating Pins Chốt cố định ENGITECH Tapered Locating Pins Web locating pins, also called workholding bolts or headed dowels, are specialized fasteners used for locating and positioning. Locating pins, essential in many industries, including the design and assembly of fixtures, play an invaluable. Web if there are requirements for rust prevention, give priority to other straight rod tapered products of locating pins with hard chrome plating and stainless steel. Tapered Locating Pins.
From cn-senlan.en.made-in-china.com
Suj2 Round Tapered Interlocks Locating Block Sets for Plastic Mould Tapered Locating Pins Instead, they have a round or sometimes diamond profile length with a tapered tip. [applications] · cylindrical pins (fig. Web if there are requirements for rust prevention, give priority to other straight rod tapered products of locating pins with hard chrome plating and stainless steel sus3. Web locating pins or pilot pins are similar in form to studs except for. Tapered Locating Pins.
From www.minsmold.com
China Tapered Locating Pins manufacturers, Tapered Locating Pins Tapered Locating Pins Web if there are requirements for rust prevention, give priority to other straight rod tapered products of locating pins with hard chrome plating and stainless steel sus3. [applications] · cylindrical pins (fig. Locating pins, essential in many industries, including the design and assembly of fixtures, play an invaluable. Since there are no threads to hold a load and the part. Tapered Locating Pins.
From mecsu.vn
Locating Pins Large Head, Tapered Tapped Round Shape (g6 Tapered Locating Pins Web locating pins, also called workholding bolts or headed dowels, are specialized fasteners used for locating and positioning. Locating pins, essential in many industries, including the design and assembly of fixtures, play an invaluable. [applications] · cylindrical pins (fig. Instead, they have a round or sometimes diamond profile length with a tapered tip. Web locating pins or pilot pins are. Tapered Locating Pins.
From eezee.sg
Misumi CUG315 Straight, Tapered Locating Pins Eezee Tapered Locating Pins Web locating pins or pilot pins are similar in form to studs except for their absence of threads. Since there are no threads to hold a load and the part is Web if there are requirements for rust prevention, give priority to other straight rod tapered products of locating pins with hard chrome plating and stainless steel sus3. Web locating. Tapered Locating Pins.
From cn-senlan.en.made-in-china.com
Mould Component Round Lock Pin Guide Locating Pillar Concentricity 0.01 Tapered Locating Pins Web locating pins, also called workholding bolts or headed dowels, are specialized fasteners used for locating and positioning. Locating pins, essential in many industries, including the design and assembly of fixtures, play an invaluable. 1) have a height tolerance of h9 and are used together with tolerance holes for. Web locating pins or pilot pins are similar in form to. Tapered Locating Pins.